PPH 핫멜트 소켓 강철 라이닝 매트리스 온 DN15-100GB 세트

최고급 바닥 조명 노란색 PPH 핫멜트 소켓 강철 라이닝 편안한 온전함 1.0-1.6 MPa 작동 압력, 하수 및 화학 산업을 지원 DN15-100 범용 플라스틱 파이프 피팅
보충: 중국
이름: KXPV
위치:PPH
기술: 단조
연결: 소켓
: 부분 모양
헤드 코드: 덩어리
색상: 어시 쿠션
크기: DN15-DN100
응용 프로그램: 산업
사용: 가방
작동 압력: 1.0-1.6Mpa (10-25bar)

앱 온도 제한 목록
소재 기본온도℃ 소재 기본온도℃
PVC-C -20℃~95℃ PVC-U -5℃~45℃
FRPP -20℃~120℃ PPH -20℃~110℃
PVDF 40℃~150℃

제품구조적 특징

1.높은 결정성
폴리페닐머로 단일 액세서리 체인에는 모노머가 포함되어 있지 않습니다. 동작 체인은 규칙이 매우 적고 오래 지속되는 생활을 제공합니다.
2. 우수한 내식성
이는 pH 1-14 내에서 고농도 산 및 범위의 주목할 만한 것이 있을 수 있습니다.
3. 내열성, 반대성, 에너지 절약성
-20°C ~ 110°C의 온도에서 작동할 수 있습니다. 열전도율이 보호됩니다.
4. 효력발생
핫멜트 연결은 파이프 자체보다 강해져서 이동하거나 결과로 인해 파이프가 악화되는 것을 방지합니다.
5. 우수한 품질의 실적
본 제품은 경량이고, 용접 공정이 간단하며, 설치가 용이하고, 총비용이 감당할 수 있는 공정배관에 적합합니다. PPH 배관 시스템은 전기 도금, 부식, 화학, 환경 처리 및 환경 공학과 같은 산업에서 사용됩니다.

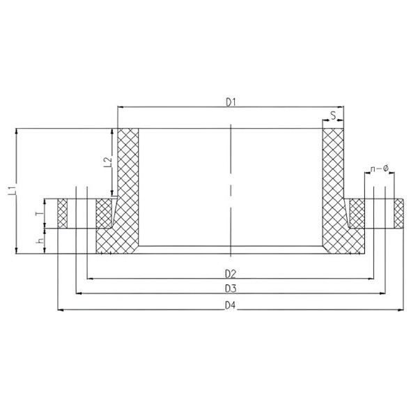
PPH 핫멜트 소켓 Vanstoneflange

DN D1 D2 D3 D4 S L1 L2 시간 n-Φ
15 20 65 95 2.5 71.5 50 14 7.5 4-Φ14
20 25 75 105 2.7 75.5 50 16 9.5 4-Φ14
25 32 85 115 3 77 50.5 16 10.5 4-Φ14
32 40 100 140 3.7 80 50.5 18 11.5 4-Φ19
40 50 110 150 4.6 81 50.5 18 12.5 4-Φ19
50 63 125 165 5.8 85 50.5 20 14.5 4-Φ19
65 75 145 185 6.9 87 50.5 20 16.5 4-Φ19
80 90 160 200 8.2 78 40 20 17 8-Φ19
100 110 180 229 10 78 40 22 18 8-Φ19
125 140 210 250 12.7 110 60 22 25 8-Φ19
150 160 240 285 14.6 107 60 24 25 8-Φ23
200 225 295 340 20.5 121 60 24 32 8-23
250 280 350 362 410 25.4 126 60 30 35 12-Φ22X28
300 315 400 432 483 28.6 135 60 36 37 12-Φ25X41
350 355 460 470 520 32.2 145 60 42 47 16-Φ25X30
400 400 515 540 597 36.3 160 63 46 52 16-Φ29X41.5
메시지 피드백
회사 소개
Kaixin Pipeline Technologies Co., Ltd.
1999년에 설립된, Kaixin Pipeline Technologies Co., Ltd. R&D, 제조, 판매 및 서비스를 통합하는 하이테크 기업입니다. 회사는 국가 하이테크 기업, "작은 거인" 전문화 및 정교한 중소기업, 국가 단일 제품 챔피언(재배), 지방 기술 기반 SME, 닝보 전문 및 정교한 SME, 닝보 단일 제품 챔피언(재배), 닝보 폴리머 파이프 및 밸브 기술 R&D 센터, 지구 수준 녹색 공장, 닝보 4성 경영 혁신 기업 및 엔터프라이즈 데이터 관리 능력 성숙도 수준을 포함하여 여러 권위 있는 인증을 보유하고 있습니다. 2.
우리는 플라스틱 밸브, 파이프, 파이프 피팅 및 부식 방지 펌프를 포함하여 화학 응용 분야를 위한 비금속 부식 방지 제품을 전문적으로 개발, 생산 및 공급합니다. 당사의 제품 포트폴리오는 PVC-C, PVC-U, PVDF, PPH 및 FRPP와 같은 소재를 포괄하며 유형 및 사양도 다양합니다. 특히, 당사의 버터플라이 밸브는 직경이 DN1000에 도달할 수 있고 파이프 및 피팅은 최대 DN800까지 확장되어 시장 격차를 해소하고 업계에서 경쟁 우위를 유지합니다.
Kaixin은 "기술 중심, 시대에 발맞추기"라는 원칙에 따라 매년 약 천만 위안을 R&D에 할당합니다. 표준화된 자동화 제조와 엄격한 수입원료 소싱을 통해 우수한 제품 품질을 보장합니다. 우리는 국제 개발 전략에 맞춰 지속적으로 글로벌 시장 동향을 모니터링하고 디지털 채널을 활용하여 고품질 "Made in China" 제품을 전 세계 고객에게 제공합니다.
닝보 • 봉화 R&D 및 생산 기지
총 2억 위안을 투자한 Kaixin Ultra-Pure Pipe Technology (Ningbo) Co., Ltd.는 대학 및 연구 기관과 협력하여 새로운 재료 실험실을 설립하고 현대적인 제조 기반을 구축했으며 변형 플라스틱용 완전 자동화 생산 라인 8개와 폴리머 재료용 완전 자동화 생산 라인을 설치했습니다. 이 시설은 새로운 변형 플라스틱 및 폴리머 재료의 R&D, 생산 및 응용에 전념하고 있습니다. Kaixin은 또한 폴리머 밸브, 파이프 및 부속품의 R&D 및 제조 분야에서 세계적으로 인정받는 리더가 되는 것을 목표로 여러 분야에 걸쳐 최고의 인재를 유치하고 제품 혁신과 브랜드 개발을 지속적으로 추진하는 데 전념하고 있습니다.
명예 증서
  • honor
  • honor
  • honor
  • honor
  • honor
  • honor
  • honor
  • honor
  • honor
뉴스